دانلود شبیه سازی مقاله سیستم کنترلی جدید برای بهبود عملکرد توربین بادی سرعت ثابت با وجود خطای ولتاژ
| عنوان فارسی |
طراحی سیستم کنترل جدید برای بهبود قابلیت LVRT توربین های بادی با سرعت ثابت با استفاده از STATCOM با وجود خطای ولتاژ |
| عنوان انگلیسی |
A novel control system design to improve LVRT capability of fixed speed wind turbines using STATCOM in presence of voltage fault |
| کلمات کلیدی |
توربین بادی سرعت ثابت، ولتاژ پایین، کنترل بهینه، کنترل زاویه شبکه، STATCOM |
| درسهای مرتبط |
کنترل سیستم قدرت |
| تعداد صفحات انگلیسی : ۷ | نشریه : Elsevier |
| سال انتشار : ۲۰۱۵ | تعداد رفرنس مقاله : ۳۰ |
| فرمت مقاله انگلیسی : PDF | نوع مقاله : ISI |
| آیا این مقاله برای بیس پایان نامه مناسب است؟ : بله | آیا این مقاله برای ارائه کلاسی مناسب است؟ : بله |
| برنامه ای که در آن مقاله شبیه سازی شده است : Matlab | نام مجله مقاله : International Journal of Electrical Power & Energy Systems |
| ترجمه: ندارد | گزارشکار : فایل راهنمای 8 صفحه ای شامل توضیح شبیه سازی ها + فیلم آموزشی پنج دقیقه ای که در آن، نحوه اجرا کردن شبیه سازی ها نشان داده شده است | شبیه سازی : دارد (2 فایل سیمولینک متلب با فرمت .mdl) |
این مقاله در محیط متلب به صورت کامل شبیه سازی شده و دارای فیلم آموزشی است. در صورت خرید و دانلود مقاله شما به راحتی قادر خواهید بود از برنامه مربوطه استفاده نمایید. در صورت بروز هر گونه مشکل در نحوه ی اجرای برنامه سایت سیگمالند به مدت 24 ساعت بعد از خرید محصول، پشتیبانی آن را تا اجرای کامل برعهده دارد. همچنین این مقاله دارار گزارش کار فارسی از نحوه شبیه سازی و مراحل آن می باشد که در صورت خرید به همراه فایل شبیه سازی در اختیار محققان عزیز قرار خواهد گرفت.
طراحی سیستم کنترلی برای بهبود قابلیت توربین بادی
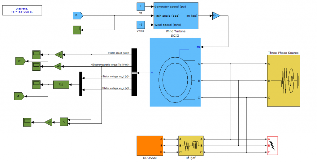
توربین های بادی یکی از فن آوری های انرژی تجدید پذیر هستند که امروزه با پیشرفت های رو به رشد روبرو هستند. این تحولات باعث پیشرفت سریع مسائل اقتصادی و زیست محیطی می شود؛ بنابراین مطالعه در مورد اتصال توربین ها به شبکه بسیار مهم است. بسیاری از کشورها دارای کدهای شبکه خود هستند که نظارت بر رفتار توربین های بادی متصل به شبکه را کنترل می کنند. تمام کدهای شبکه برای توربین های باد شامل الزامات مانند ظرفیت کم سوند ولتاژ (LVRT)، کنترل ولتاژ، الزامات قدرت و کیفیت می باشد.
طراحی و اجرای یک سیستم کنترل جدید برای جبران توان راکتیو و گشتاور مکانیکی، تنظیم ولتاژ و افزایش ثبات گذرا برای توربین های بادی مجهز به ژنراتور القایی با سرعت ثابت (IG) در سیستم های قدرت در این مقاله ارائه شده است. کنترل کننده رگولاتور درجه دوم خطی طراحی شده (LQR) عملکرد قابل قبول را برای هر دو اختلالات کوچک و بزرگ فراهم می کند. شبیه سازی های اختلال بزرگ نشان می دهد که کنترل کننده طراحی شده باعث افزایش ثبات ولتاژ و همچنین ثبات گذرا در سیستم در طول گذر از سوئیچ های ولتاژ پایین می شود و به همین ترتیب توان LVRT را افزایش می دهد. برای تایید ادعا های صورت گرفته شبیه سازی دقیق زمان دامنه نیز ارائه شده است.
محاسبات، شبیه سازی ها و اندازه گیری ها نشان می دهد که چگونه افزایش امتیاز STATCOM می تواند توانایی LVRT را افزایش دهد. همچنین در این مقاله مفهوم زمان پاکسازی بحرانی معرفی شده است و کاربرد آن مشخص شده است. شبیه سازی ها در متلب صورت گرفته است.

سیستم کنترلی توربین بادی

خطای ولتاژ













دیدگاهها
هیچ دیدگاهی برای این محصول نوشته نشده است.