دانلود شبیه سازی مقاله مدل فتوولتائیک مدوله در شرایط تابش غیر یکنواخت در سیمولینک متلب
| عنوان فارسی |
مدل فتوولتائیک مدوله و کاربرد آن در شرایط تابش غیر یکنواخت در سیمولینک متلب |
| عنوان انگلیسی |
A MATLAB-Simulink-Based PV Module Model and Its Application Under Conditions of Nonuniform Irradiance |
| کلمات کلیدی |
مدل، تابش غیرمستقیم، آرایه فتوولتائیک (PV)، سیمولینک متلب |
| درسهای مرتبط |
سیستم های قدرت |
| تعداد صفحات انگلیسی : ۹ | نشریه : IEEE |
| سال انتشار : ۲۰۱۲ | تعداد رفرنس مقاله : ۲۷ |
| فرمت مقاله انگلیسی : PDF | نوع مقاله : ISI |
| آیا این مقاله برای بیس پایان نامه مناسب است؟ : بله | آیا این مقاله برای ارائه کلاسی مناسب است؟ : بله |
| برنامه ای که در آن مقاله شبیه سازی شده است : Matlab | نام مجله مقاله : IEEE TRANSACTIONS ON ENERGY CONVERSION |
| ترجمه: ندارد | گزارشکار : دارد (توضیحات مربوط به شبیه سازی در یک فایل 5 صفحه ای ارائه شده است) | شبیه سازی : دارد (دو فایل سیمولینک متلب با فرمت .mdl) |
این مقاله در محیط متلب به صورت کامل شبیه سازی شده و به همراه گزارش کار قابل دانلود است. در صورت خرید و دانلود مقاله شما به راحتی قادر خواهید بود از برنامه مربوطه استفاده نمایید. در صورت بروز هر گونه مشکل در نحوه ی اجرای برنامه سایت سیگمالند به مدت 24 ساعت بعد از خرید محصول، پشتیبانی آن را تا اجرای کامل برعهده دارد.
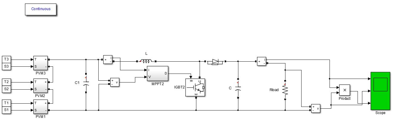
سیمولینک مدل فتوولتائیک برای استفاده در شرایط تابش غیر یکنواخت نور
سیمولینک یکی از کاربردهای نرم افزار متلب است که با استفاده از آن میتوان قطعات و مدارات الکترونیکی را به شکل قابل ملموسی مشاهده کرد. در این مقاله از این ویژگی نرم افزار متلب استفاده شده است و پیاده سازی بصورت سیمولینک است. این مقاله در یکی از زورنال های معتبر IEEE به چاپ رسیده است که با توجه به نتایج بسیار خوب آن می تواند به عنوان مقاله پایه در پایان نامه مورد استفاده قرار گیرد.
عملکرد ماژول فتوولتائیک (PV) عمدتا تحت تاثیر پیکربندی آرایه، تابش و درجه حرارت ماژول قرار دارد. مهم است که رابطه بین این اثرات و قدرت خروجی آرایه PV را بتوان بدست آورد.
این مقاله یک مدل ماژول PV مبتنی بر سیمولینک را ارائه می دهد که شامل منبع جریان کنترل شده و سازنده S-Function می باشد. طرح مدل سازی در ساختار S-Function توسط برخی از توابع پیش بینی شده نتیجه گیری می شود.
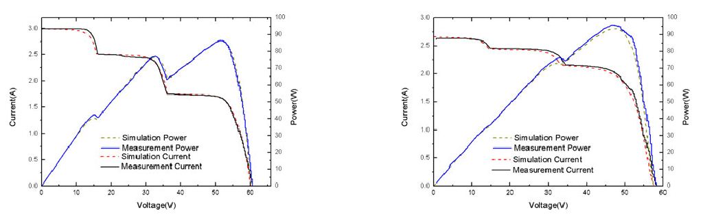
در شرایط نور خورشید، مدل با استفاده از پیکربندی آرایه های مختلف در پلتفرم تست، عملا قابل اعتبار است. آزمایشات مقایسه ای نشان می دهند که منحنی های مشخصه I-V و P-V از شبیه سازی با اندازه گیری های خوب آزمایش در فضای باز مطابقت دارد.
در شرایط نور خورشید، هر دو شبیه سازی و آزمایش نشان می دهد که قدرت خروجی یک آرایه PV با توجه به پیک های چندگانه پیچیده تر می شود. علاوه بر این، مدل پیشنهادی همچنین می تواند مدار الکتریکی و حداکثر ردیابی نقطه قدرت (MPPT) را در محیط سیمولینک شبیه سازی کند.
آزمایشات نشان می دهد که مدل پیشنهادی در رفتارهای عمومی MPPT در شرایط هر دو تابش غیر یکنواخت و یکنواخت قابل پیش بینی است. در ادامه بخشی از نتایج شبیه سازی ها نشان داده شده است.
شبیه سازی fig11:
نتایج ولتاژ، جریان و توان خروجی را می توانید در بلوک سبز رنگ مشاهده کنید.
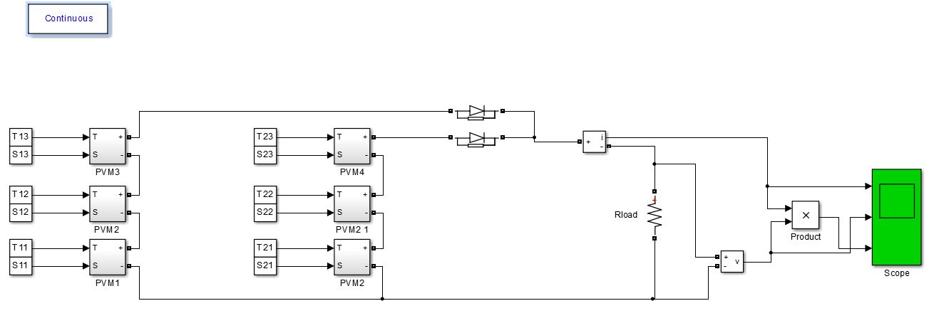
شبیه سازی fig14







دیدگاهها
هیچ دیدگاهی برای این محصول نوشته نشده است.