| عنوان فارسی | تجزیه و تحلیل پایداری سیگنال کوچک در یک ریزشبکه مبتنی بر اینورتر با کنترل کننده های مبتنی بر مدل داخلی | 
| عنوان انگلیسی | Small-Signal Stability Analysis of an Inverter-Based Microgrid With Internal Model-Based Controllers | 
| کلمات کلیدی | کنترل جریان؛ مقادیر ویژه؛ کنترل مدل داخلی؛ ریزشبکه ایزوله؛ اینورتر؛ پایداری سیگنال کوچک؛ مدل فضای حالت؛ کنترل ولتاژ؛ مبدل منبع ولتاژ | 
| درسهای مرتبط | دینامیک سیستم های قدرت | 
| تعداد صفحات انگلیسی : 10 | نشریه : IEEE | 
| سال انتشار : 2017 | تعداد رفرنس مقاله : 30 | 
| فرمت مقاله انگلیسی : PDF | نوع مقاله : ISI | 
| آیا این مقاله برای بیس پایان نامه مناسب است؟ : بله | آیا این مقاله برای ارائه کلاسی مناسب است؟ : بله | 
| برنامه ای که در آن مقاله شبیه سازی شده است : این مقاله در محیط متلب پیاده سازی شده است | نام مجله مقاله : IEEE Transactions on Smart Grid (مجله شبکه هوشمند) | 
| ترجمه: دارد (ترجمه 24 صفحه ای در قالب ورد و پی دی اف) | گزارشکار : دارد (32 صفحه) | شبیه سازی : دارد (شبیه سازی در سیمولینک متلب با فرمت .slx) | 
این مقاله در محیط متلب به صورت کامل شبیه سازی شده و در صورت خرید و دانلود مقاله شما به راحتی قادر خواهید بود از برنامه مربوطه استفاده نمایید. در صورت بروز هر گونه مشکل در نحوه ی اجرای برنامه سایت سیگمالند به مدت 24 ساعت بعد از خرید محصول، پشتیبانی آن را تا اجرای کامل برعهده دارد.
در سال های اخیر، تولید برق از منابع انرژی پراکنده همچون فتوولتاییک- خورشیدی، میکروتوربین ها و پیل های سوختی افزایش چشمگیری یافته است. کنترل و مدیریت واحدهای مولد پراکنده مقیاس کوچک (DG)، نسبت به روش های عملیاتی در پست های تولید بزرگ و متمرکز، چالش های چشمگیری را پدید آورده است. ریزشبکه ها می توانند به ادغام موثر واحدهای تولید پراکنده، و به تبع ارتقای قابلیت اطمینان و پایداری شبکه قدرت کمک بکنند. یک ریزشبکه قادرست در هر دو حالت متصل به شبکه و جزیره ای عمل بکند. در حالت متصل به شبکه، ولتاژ و فرکانس توسط شبکه اصلی تعیین و دیکته می شوند. اما در حالت جزیره ای، کنترل کننده های واحد DG در ریزشبکه مسئول تنظیم ولتاژ و فرکانس هستند. آن ها اشتراک توان بین واحدهای DG را ممکن می سازند. بسیاری از واحدهای DG از اینورترهای الکترونیک قدرت، علی الخصوص مبدل های منبع ولتاژ (VSC)، برای ایجاد تعامل/ واسطه نسبت به ریزشبکه استفاده می کنند. مزایای کلیدی واسط مبتنی بر الکترونیک قدرت عبارتند از کیفیت توان بالاتر، تنظیم ولتاژ، هماهنگ سازی جریان خطا، و پشتیبانی از توان راکتیو. از نظر معایب و کمبودها، ریزشبکه های مبتنی بر اینورتر دارای اینرسی کمی هستند، که منجر به ایجاد تغییراتی در پایداری سیستم شده و ارتعاشات را کاهش می دهند. رویکردهای مختلف پیشنهادی برای تنظیم ولتاژ و جریان VSCهای سه فاز به دو دسته اصلی تقسیم می شوند: رویکردهای خطی و غیرخطی. رویکردهای غیرخطی منجر به افزایش پیچیدگی سیستم از نظر طراحی و پیاده سازی می شوند، اما لزوماً عملکرد بهتری را در مقایسه با روش های خطی ایجاد نمی کنند. اما روش های خطی خود به دو گروه اصلی تقسیم می شوند: روش های مبتنی بر قاب مرجع ثابت (SRF) و روش های مبتنی بر قاب مرجع چرخشی (RRF). معمولاً روش های SRF از خطای چشمگیر حالت پایدار رنج می برند، این در حالیست که روش های RRF خطای حالت پایدار صفر را تولید می کنند. از بین روش های مبتنی بر RRF، تنظیم کننده های ولتاژ و جریان مبتنی بر PI، پُرکاربردترین روش ها به شمار می روند. کنترل کننده های مبتنی بر PI، به صورت گسترده در پروژه های قبلی مطالعه شده اند. آن ها به منزله روش های غالب کنترل سطح صفر در ریزشبکه های مبتنی براینورتر محسوب می شوند. کنترل کننده PI علیرغم موثربودن و استفاده گسترده، و تنظیم پذیری آسان، پاسخ آهسته ای دارد، از اورشوت بزرگی رنج می برد و زمان نشست آن طولانی است. همچنین فاقد مقاومت و تزویج زدایی محورهاست. ارتقای پایداری و رفتار گذرا ولتاژ و جریان، امری اجتناب ناپذیر برای ریزشبکه ها است. بدین ترتیب امکان استفاده موثرتر از امکانات شبکه، و جلوگیری از تخطی نسبت به محدودیت های عملیاتی فراهم می شود.
در این پروژه، مدل سیگنال کوچک از ریزشبکه مبتنی بر اینورتر، بر اساس کنترل کننده ICM بدست آمده است. از این مدل برای تحلیل مقادیر ویژه و حساسیت استفاده می شود.شبیه سازی های مطالعات موردی تایید کننده نتایج تحلیل سیگنال کوچک هستند. نتایج ما با مطالعاتی که در ریزشبکه ها از کنترل کننده های متداول PI استفاده نموده اند مقایسه شده اند. تحلیل حساسیت با استفاده از محاسبات ضریب مشارکت نشان می دهند که حالت های عملکردی فرکانس کم بشدت به پارامترهای کنترل کننده اشتراک توان واحدهای DG در هر دو روش حساس هستند. با تغییر این پارامترها (ضرایب دروپ mp, nq)، نمودارهای مقادیر ویژه نشان می دهند که در مقایسه با روش مبتنی بر PI، ریزشبکه تحت مطالعه با کنترل کننده های IMC، از نظر پایداری عملکردی در سطح برتری قرار می گیرد. علاوه براین، ریزشبکه با کنترل کننده های IMC، نسبت به عدم قطعیت پارامترهای فیلتر (تغییر Lf)، مقاومت به مراتب بیشتری را به دنبال دارد. تحلیل سیگنال کوچک نشان می دهد که علت کاهش چشمگیر آندرشوت ولتاژ، افزایش فرکانس ها و نسبت های میرایی مقادیر ویژه حساس است.
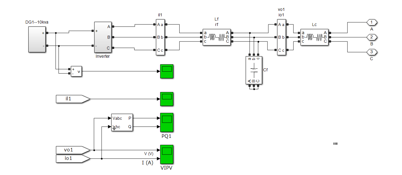
این شبیه سازی در محیط سیمولینک متلب (MATLAB) انجام شده و در ادامه نیز تصاویر مربوط به محیط شبیه سازی قرار داده شده است:

دیدگاهها
هیچ دیدگاهی برای این محصول نوشته نشده است.