دانلود شبیه سازی مقاله کنترل تولید توان بادی مبتنی بر DFIG با تحلیل حساسیت و PSO
| عنوان فارسی |
کنترل بهینه تولید توان بادی مبتنی بر DFIG با استفاده از تحلیل حساسیت و الگوریتم بهینه سازی ازدحام ذرات (PSO) |
| عنوان انگلیسی |
Optimized Control of DFIG-Based Wind Generation Using Sensitivity Analysis and Particle Swarm Optimization |
| کلمات کلیدی |
هوش محاسباتی؛ DFIG؛ کنترل بهینه؛ بهینه سازی ازدحام ذرات؛ تحلیل حساسیت؛ شبکه هوشمند |
| درسهای مرتبط |
انرژی های نو؛ شبکه هوشمند |
| تعداد صفحات انگلیسی : 12 | نشریه : IEEE |
| سال انتشار : 2013 | تعداد رفرنس مقاله : 32 |
| فرمت مقاله انگلیسی : PDF | نوع مقاله : ISI |
| آیا این مقاله برای بیس پایان نامه مناسب است؟ : بله | آیا این مقاله برای ارائه کلاسی مناسب است؟ : بله |
| برنامه ای که در آن مقاله شبیه سازی شده است : این مقاله در محیط متلب پیاده سازی شده است | نام مجله مقاله : IEEE Transactions on Smart Grid (مجله شبکه هوشمند) |
| ترجمه: دارد (ترجمه 32 صفحه ای در قالب ورد و پی دی اف) | گزارشکار : فایل راهنما دارد (5 صفحه توضیحات مربوط به شبیه سازی ها و خروجی ها) | شبیه سازی : دارد (شبیه سازی ها در چهار پوشه قرار دارند که این چهار پوشه مجموعا دارای 6 ام فایل و 3 فایل سیمولینک با فرمت slx و 3 فایل سیمولینک با فرمت mdl هستند) |
این مقاله در محیط متلب به صورت کامل شبیه سازی شده و در صورت خرید و دانلود مقاله شما به راحتی قادر خواهید بود از برنامه مربوطه استفاده نمایید. در صورت بروز هر گونه مشکل در نحوه ی اجرای برنامه سایت سیگمالند به مدت 24 ساعت بعد از خرید محصول، پشتیبانی آن را تا اجرای کامل برعهده دارد.
کنترل بهینه توربین بادی DFIG
با افزایش پیوسته تقاضا برای انرژی و نگرانی های زیست محیطی، توسعه یک شبکه برق هوشمند، به یک موضوع پژوهشی بسیار مهم در سطح جهان تبدیل شده است. برای رفع چالش های اساسی و توسعه یک شبکه واقعاً هوشمند، تلاش های گسترده ای به این زمینه در سطوح مختلف اختصاص داده شده که از پژوهش آکادمیک، پژوهش و توسعه صنعتی (R&D) تا سیاست گذاران دولتی، متنوع می باشند. درحالی که کل سیستم شبکه هوشمند، یک فنآوری یکپارچه واقعاً پیچیده و یک نظام اجتماعی است، در این پروژه بر یکی از جنبه های اساسی کل موضوع، یعنی کنترل بهینه توربین باد (WT) با مولدهای القایی تغذیه دو سه (DFIG) براساس تحلیل حساسیت و بهینه سازی ازدحام ذرات (PSO) تمرکز می کنیم.
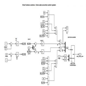
DFIG در سیستم قدرت بادی بخاطر مزیت هایش نسبت به دیگر مولدهای توربین باد، مانند مولد القایی قفس سنجابی و مولد سنکرون مغناطیس دائم، کاربرد گسترده ای پیدا کرده است. مشخصات DFIG عبارتند از بازده زیاد، کنترل انعطاف پذیر و نیاز به سرمایه گذاری کم. استاتور DFIG مستقیماً به شبکه قدرت متصل شده درحالی که روتور از طریق یک مبدل «پشت به پشت» به شبکه قدرت متصل شده است که این مبدل تنها حدود 20 تا 30 درصد از ظرفیت اسمی DFIG را می گیرد، زیرا این مبدل تنها جریان تحریک DFIG را تامین می کند. این مبدل پشت به پشت شامل سه قسمت است: مبدل طرف روتور (RSC)، مبدل طرف شبکه (GSC) و خازن لینک. کنترلرهای این مبدل تاثیر قابل ملاحظه ای بر پایداری DFIG متصل به شبکه دارد.
در این پروژه، یک مدل سیستم توربین بادی تفصیلی همراه با DFIG شامل مولد القایی، قطعات مکانیکی انتقال قدرت، مبدل های PWM پشت به پشت، کنترل گام، RSC، GSC و کنترلرهای آنها ارائه شده اند. تحلیل حساسیت براساس تحلیل حساسیت مسیر و تحلیل حساسیت مقدار ویژه براساس پارامترهای کنترل DFIG، انجام شد. الگوریتم PSO برای یافتن پارامترهای کنترل بهینه چندین کنترلر سیستم توربین بادی، بکار گرفته شد. تحلیل پایداری سیگنال کوچک سیستم توربین باد با پارامترهای کنترل بهینه شده و بدون آن، انجام شد. جهت تایید نتایج، شبیه سازی بوسیله MATLAB/SIMULINK انجام شد. نتیجه گیری های اصلی ما شامل این موارد می باشند:
- براساس تحلیل حساسیت، مشهود است که حساسیت بین پارامترهای کنترلی متفاوت هستند، و در نتیجه می تواند اطلاعاتی برای انتخاب پارامترهای کنترلی حاکم، فراهم کند، و در نتیجه UDCP مربوط به کنترلر سیستم WT را می توان شناسایی نمود.
- با استفاده از PSO جهت بهینه سازی UDCP، زمان محاسبات را می توان در مقایسه با بهینه سازی همزمان همه پارامترهای کنترل، کاهش داد. بازده بهینه سازی را می توان بهبود بخشید.
- نتایج شبیه سازی نشان داده اند که رویکرد ما در استفاده از تنها UDCP، با استفاده از همه پارامترهای کنترل بهینه شده، مشابه است. این بدان معناست که رویکرد UDCP ما نه تنها قادر به بهبود عملکرد دینامیک سیستم WT و در نتیجه باعث بهبود قابلیت عبور از خطا می شود، بلکه همچنین می تواند هزینه محاسباتی را کاهش دهد، زیرا تنها نیاز به بهینه سازی پارامترهای UDCP انتخاب شده داریم.
این شبیه سازی با استفاده از نرم افزار متلب (MATLAB) انجام شده و در ادامه نیز تعدادی از نتایج خروجی آن قرار داده شده است:




دیدگاهها
هیچ دیدگاهی برای این محصول نوشته نشده است.