دانلود شبیه سازی مقاله کنترل تولید اتوماتیک در سیستم حرارتی چند ناحیه ای با الگوریتم خفاش
| عنوان فارسی |
کنترل تولید اتوماتیک در سیستم حرارتی چند ناحیه ای با استفاده از الگوریتم خفاش بهینه شده با کنترل کننده آبشاری PD – PID |
| عنوان انگلیسی |
Automatic generation control of multi area thermal system using Bat algorithm optimized PD–PID cascade controller |
| کلمات کلیدی |
کنترل تولید اتوماتیک؛ کنترل کننده آبشاری؛ الگوریتم خفاش؛ تحلیل حساسیت؛ الگوی بار تصادفی |
| درسهای مرتبط |
بهره برداری از سیستم های قدرت |
| تعداد صفحات انگلیسی : 9 | نشریه : ELSEVIER |
| سال انتشار : 2015 | تعداد رفرنس مقاله : 34 |
| فرمت مقاله انگلیسی : PDF | نوع مقاله : ISI |
| آیا این مقاله برای بیس پایان نامه مناسب است؟ : بله | آیا این مقاله برای ارائه کلاسی مناسب است؟ : بله |
| برنامه ای که در آن مقاله شبیه سازی شده است : این مقاله در محیط متلب پیاده سازی شده است | نام مجله مقاله : Electrical Power and Energy Systems (سیستم های انرژی و توان الکتریکی) |
| ترجمه: دارد (ترجمه 26 صفحه ای در قالب WORD و PDF) | گزارشکار : دارد (23 صفحه به صورت WORD و PDF) | شبیه سازی : دارد (سه فایل شبیه سازی در سیمولینک متلب با فرمت .slx و یک فایل با فرمت .m) |
این مقاله در محیط متلب به صورت کامل شبیه سازی شده و در صورت خرید و دانلود مقاله شما به راحتی قادر خواهید بود از برنامه مربوطه استفاده نمایید. در صورت بروز هر گونه مشکل در نحوه ی اجرای برنامه سایت سیگمالند به مدت 24 ساعت بعد از خرید محصول، پشتیبانی آن را تا اجرای کامل برعهده دارد.
کنترل تولید اتوماتیک در سیستم حرارتی
در کنترل تولید اتوماتیک (AGC) سیستم قدرت همبند، زمینه به سمت حفظ فرکانس سیستم در محدوده های مشخص شده حول مقدار اسمی هموار می شود تا تبادل توان برنامه ریزی شده قدرت بین مناطق همبند، حفظ شود و تولید هر واحد در بالاترین سطح اقتصادی خود حفظ گردد. این نیاز به توازن بین تولید خالص و بارهای متناظر، و تلفات توان دارد.
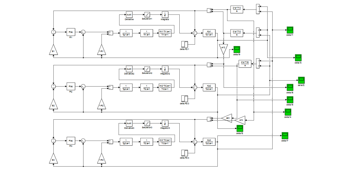
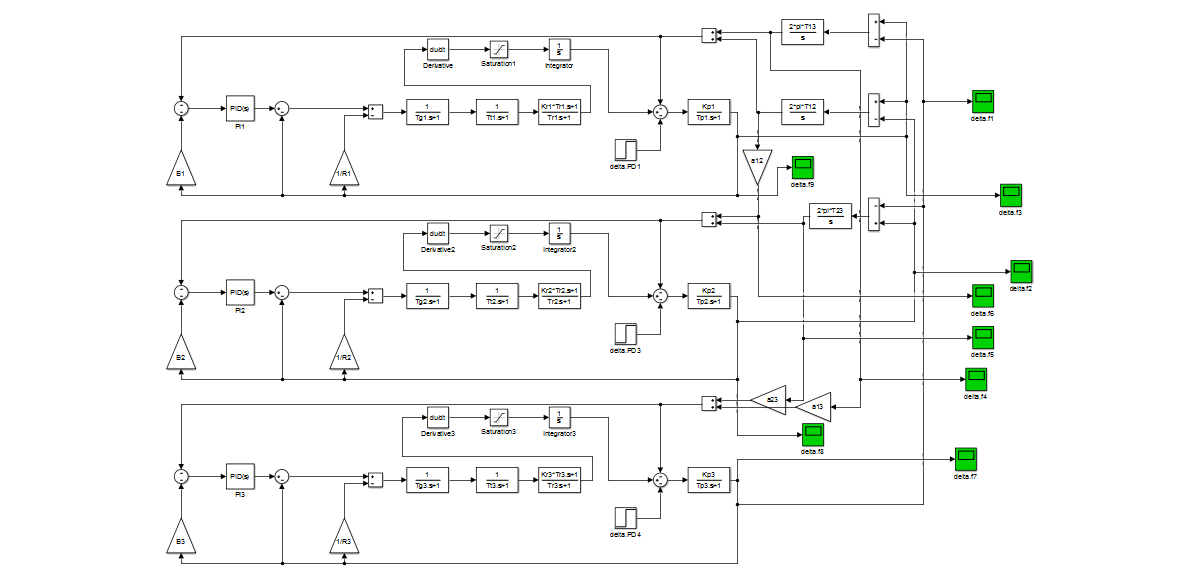
این شبیه سازی در محیط نرم افزار متلب (MATLAB) انجام شده و در ادامه نیز برخی تصاویر مربوط به خروجی های شبیه سازی قرار داده شده است:













تلاش زیادی برای بکار گیری یک روش بهینه سازی فرا ابتکاری قوی جدید، به نام الگوریتم خفاش برای بهینه سازی چندین بهره مانند KPi، KIi و KDi به صورت همزمان در کنترلر آبشاری PD-PID، صورت گرفته است. نتایج آشکار می کنند که BA عملکرد بسیار بهتری نسبت به GA و BF دارد. تلاشی برای بکار گیری ابتکاری کنترلر آبشاری بهینه شده PD-PID برای اولین بار در AGC، صورت گرفته است. مقایسه عملکرد کنترلرهای آبشاری PI، PID و PD-PID، عملکرد دینامیک بهتر مورد آخر (PD-PID) از دیدگاه زمان نشست، بزرگی نوسانات و پیک اضافه جهش با ملاحظه آشفتگی پله بار 1% و الگوی بار اتفاقی در منطقه 1 را آشکار می کنند. تحلیل حساسیت بهره های بهینه بدست آمده در شرایط و پارامترهای اسمی آشکار می کنند که آنها مقاوم می باشند و لازم است برای تغییر گسترده شرایط و پارامترهای سیستم، بازنشانی شوند. همچنین ذکر این نکته الزامی است که حیطه ای برای کاربرد استراتژی کنترل آبشاری برپایه MPC در AGC، وجود دارد.




دیدگاهها
هیچ دیدگاهی برای این محصول نوشته نشده است.