دانلود شبیه سازی مقاله کنترل سلسله مراتبی موتور DC درایو شده با مبدل باک
| عنوان فارسی |
کنترل سلسله مراتبی در یک موتور DC درایو شده با مبدل باک (Buck) |
| عنوان انگلیسی |
Hierarchical Control For a Buck Converter Driven DC Motor |
| کلمات کلیدی |
کنترل سلسله مراتبی؛ کنترل آبشاری؛ کنترل همواری دیفرانسیلی؛ کنترل مد لغزشی؛ ردیابی مسیر |
| درسهای مرتبط |
ماشین های الکتریکی؛ الکترونیک قدرت |
| تعداد صفحات انگلیسی : 7 | نشریه : IJAREEIE |
| سال انتشار : 2016 | تعداد رفرنس مقاله : 8 |
| فرمت مقاله انگلیسی : PDF | نوع مقاله : ISI |
| آیا این مقاله برای بیس پایان نامه مناسب است؟ : بله | آیا این مقاله برای ارائه کلاسی مناسب است؟ : بله |
| برنامه ای که در آن مقاله شبیه سازی شده است : این مقاله در محیط متلب پیاده سازی شده است | نام مجله مقاله : International Journal of Advanced Research in Electrical, Electronics and Instrumentation Engineering (مجله بین المللی تحقیقات پیشرفته در مهندسی برق ، الکترونیک و ابزار دقیق) |
| ترجمه: دارد (ترجمه 8 صفحه ای در قالب ورد و پی دی اف) | گزارشکار : دارد (فایل راهنمای 16 صفحه ای که به توضیحات مربوط به نحوه ران کردن شبیه سازی ها و توضیحات مربوط به شبیه سازی و نتایج پرداخته است) + ( 5 تصویر راهنما برای نشان دادن نحوه ران کردن) | شبیه سازی : دارد (دو ام فایل متلب و دو فایل سیمولینک متلب و یک فایل فازی) |
این مقاله در محیط متلب به صورت کامل شبیه سازی شده و در صورت خرید و دانلود مقاله شما به راحتی قادر خواهید بود از برنامه مربوطه استفاده نمایید. در صورت بروز هر گونه مشکل در نحوه ی اجرای برنامه سایت سیگمالند به مدت 24 ساعت بعد از خرید محصول، پشتیبانی آن را تا اجرای کامل برعهده دارد.
پروژه کنترل موتور DC
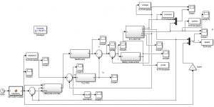
موتور DC، پاسخ کنترل سرعت و دامنه کنترل سرعت گسترده ای دارد. این نوع موتور، در سیستم های کنترل سرعت که نیاز به کنترل سریع دارند، مانند دستگاه نورد، تانکر دو جداره و ابزارهای دیجیتال دقت بالا، به میزان گسترده ای مورد استفاده قرار می گیرد. هنگامی که نیاز به کنترل سرعت بدون گام و هموار داشته باشد، این روش، پر استفاده ترین روش برای تنظیم ولتاژ آرمیچر موتور می باشد. یکی از مرسوم ترین روش ها برای تحریک یک موتور dc، استفاده از سیگنال های PWM براساس ولتاژ ورودی موتور است. اما، استراتژی کلیدزنی دشوار ضمنی، باعث رفتار دینامیک غیررضایت بخش می شود و تغییرات ناگهانی در ولتاژ و جریان موتور بوجود می آورد. مسیرهای حاصله، یک شکل بسیار نویزدار بوجود می آورند. این باعث بوجود آمدن نیروهای بزرگ بر اجزاء فیزیکی و مکانیکی موتور و همچنین جریان های بزرگ می شود که به میزان مضر بر اجزاء الکترونیکی موتور و همچنین منبع تغذیه، تنش وارد می کنند. این مسائل را می توان با استفاده از مبدل های dc/dc رفع کرد، که استارت هموار یک موتور dc، با اعمال ولتاژ لازمه طبق ولتاژ تقاضا شده برای کار انجام شده را اجازه می دهد و معمولاً مسیر سرعت زاویه ای مطلوب یا یک مسیر موقعیت زاویه ای مطلوب را ردیابی می کند. بخصوص اینکه، مبدل توان باک dc/dc، دو عنصر ذخیره کننده انرژی (یک سلف و یک خازن) دارد که ولتاژها و جریان های خروجی dc هموار، با ریپل جریان کم تولید می کند و در نتیجه شکل نویزدار ناشی از کلیدزنی سخت PWM را کاهش می دهد. بنابراین، برای انجام کار ردیابی مسیر سرعت زاویه ای برای سیستم موتور dc مبدل توان باک dc/dc، این پروژه بر طراحی یک کنترلر سلسله مراتبی تمرکز می کند. ماشین های DC استفاده گسترده ای در بسیاری از کاربردهای صنعتی مانند کنترل سروو و کِشنده دارند که این بخاطر اثربخشی، استوار بودن و سهولت نسبی در طراحی طرح های کنترل فیدبک مناسب، بخصوص، از انواع PI و PID، مورد استفاده قرار می گیرند. افزایش فنون طراحی کنترلر فیدبک طراحی شده و توسعه سریع برنامه های شبیه سازی مدار، مانند PSpice، MATLAB، امکانات بسیار گسترده تری برای تحلیل، و بازطراحی سیستم های درایو موتور dc در حال حاضر مورد استفاده، فراهم کرده اند.
در این پروژه، روشی برای بهبود حرکت هموار یک مبدل باک برای کنترل موتور DC، ارائه شده است. پارامترهای کنترلر PID، بهینه شده با استفاده از کنترل منطق فازی، از خطای حالت پایدار سیستم، جلوگیری می کنند. طبق نتایج تجربی، هدف اصلی این پروژه، با موفقیت حاصل شد، زیرا سرعت زاویه ای موتور، یک مسیر سرعت زاویه ای مطلوب را ردیابی می کند.
این شبیه سازی در محیط متلب (MATLAB) انجام شده و در ادامه نیز تعدادی از تصاویر مربوط به این شبیه ساز قرار داده شده است:






09176271382 (مالک تایید شده) –
خوب