| عنوان فارسی |
کنترل گشتاور مستقیم در راه انداز موتور سنکرون الکتریکی سریع با ضریب قدرت بالا و ریپل های پایین در شار و گشتاور |
| عنوان انگلیسی |
A Novel Direct Torque Control for Electrically Excited Synchronous Motor Drives with High Power Factor and Low Ripples in Flux and Torque |
| کلمات کلیدی |
کنترل همزمان گشتاور مستقیم، مدولاسیون برداری فضایی، جریان میدان روتور، فاکتور قدرت |
| درسهای مرتبط |
سیستم های قدرت |
| تعداد صفحات انگلیسی : ۵ | نشریه : IEEE |
| سال انتشار : ۲۰۰۸ | تعداد رفرنس مقاله : ۱۰ |
| فرمت مقاله انگلیسی : PDF | نوع مقاله : ISI |
| آیا این مقاله برای بیس پایان نامه مناسب است؟ : بله | آیا این مقاله برای ارائه کلاسی مناسب است؟ : بله |
| برنامه ای که در آن مقاله شبیه سازی شده است : Matlab | نام مجله مقاله : IEEE International Conference on Power System Technology |
| ترجمه: ندارد | گزارشکار : ندارد | شبیه سازی : دارد ( سیمولینک متلب) |
این مقاله در محیط سیمولینک متلب به صورت کامل شبیه سازی شده و در صورت خرید و دانلود مقاله شما به راحتی قادر خواهید بود از برنامه مربوطه استفاده نمایید. در صورت بروز هر گونه مشکل در نحوه ی اجرای برنامه سایت سیگمالند به مدت 24 ساعت بعد از خرید محصول، پشتیبانی آن را تا اجرای کامل برعهده دارد.
نظریه های کنترل گشتاور مستقیم (DTC) برای درایوهای موتور همزمان (ESM) الکتریکی توسط محققان بررسی قرار گرفتند. مقدار القایی ESM کوچک است و مقدار انحراف دینامیک در ESM پایین است زیرا پیچ های دمپر بر روی روتور است. جرقه های اتصال گشتاور و جریان استاتور ممکن است بالا باشد و پایداری سیستم درایو ممکن است تحت تاثیر قرار گیرد. اگر DTC پایه با اتصال شار استاتور و کنترل کننده های گشتاور هیسترزیزه به درایو های ESM اعمال شود کنترل درایور را سخت می کند.
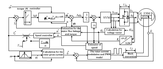
روش کنترل گشتاور مستقیم (DTC) برای درایوهای موتور همزمان (ESM) تحریک الکتریکی در این مقاله مورد بررسی قرار گرفته است. این مقاله بر اساس جبران خطای بردار پیوند استاتور جریان با استفاده از مدولاسیون بردار فضایی برای کاهش موجهای اتصال گشتاور و شار است. به منظور افزایش توان قدرت و بار ESM ها، یک طرح کنترل جریان فعلی روتور به طور مطلوب ارائه شده است که در کل دامنه سرعت مناسب است.
در حلقه بسته کنترل جریان روتور، جریان رتور مرجع به طور مستقیم با مراجع مدولاسیون گشتاور و استاتور جریان پیوسته محاسبه می شود. در مقایسه با روش DTC سنتی، نتایج آزمایش ها نشان می دهد که DTC ارائه شده دارای ریپل کم در اتصال گشتاور و شار است و تقریبا توان فاکتور واحد را به دست می آورد.
شبیه سازی های این پروژه در محیط سیمولینک متلب صورت گرفته است و به صورت کامل به همراه نتایج مقاله شبیه سازی شده است.

موتور سنکرون

کنترل گشتاور
دیدگاهها
هیچ دیدگاهی برای این محصول نوشته نشده است.