دانلود شبیه سازی مقاله مدل سازی ریاضی موتور سنکرون مغناطیس دائم
| عنوان فارسی |
مدل سازی ریاضی و شبیه سازی موتور سنکرون مغناطیس دائم |
| عنوان انگلیسی |
Mathematical modelling and simulation of Permanent Magnet Synchronous Motor |
| کلمات کلیدی |
موتور القایی، موتور سنکرون، مغناطیس دائم، سنسور کنترل سرعت، موتور سنکرون مغناطیس دائم، سیمولینک متلب |
| درسهای مرتبط |
ماشین یک، ماشین دو، ماشین مخصوص |
| تعداد صفحات انگلیسی : ۷ | نشریه : IEEE |
| سال انتشار : 2013 | تعداد رفرنس مقاله : 4 |
| فرمت مقاله انگلیسی : PDF | نوع مقاله : ISI |
| آیا این مقاله برای بیس پایان نامه مناسب است؟ : بله | آیا این مقاله برای ارائه کلاسی مناسب است؟ : بله |
| برنامه ای که در آن مقاله شبیه سازی شده است : این مقاله در محیط متلب پیاده سازی شده است | نام مجله مقاله : International Journal of Advanced Research in Electrical, Electronics and Instrumentation Engineering |
| ترجمه: ندارد | گزارشکار : ندارد | شبیه سازی : سیمولینک متلب |
این مقاله در محیط متلب به صورت کامل شبیه سازی شده و در صورت خرید و دانلود مقاله شما به راحتی قادر خواهید بود از برنامه مربوطه استفاده نمایید. در صورت بروز هر گونه مشکل در نحوه ی اجرای برنامه سایت سیگمالند به مدت 24 ساعت بعد از خرید محصول، پشتیبانی آن را تا اجرای کامل برعهده دارد.
موتور سنکرون مغناطیس دائم- PMSM
موتور سنکرون مغناطیس دائم یک ماشین الکتریکی دوار است که استاتور آن یک موتور القایی سه فاز کلاسیک می باشد و دارای روتور با آهنرباهای دائمی است. از این نظر موتور سنکرون مغناظیس دائم شبیه به موتور القایی است با این تفاوت که در موتور سنکرون مغناطیس دائم میدان روتور به جای سیم پیچی توسط آهنربای دائم تولید می شود. موتور سنکرون آهنربای دائم دارای بهره وری بالایی است و ویژگی های اینرسی کم به همراه گشتاور بالا به نسبت حجم باعث شده به طور گسترده از آن در کاربردهای صنعتی و رباتیک استفاده شود.
این موتور ویژگی هایی دارد که در زیر ویژگی های موتور سنکرون مغناطیس دائم آورده شده است :
۱- سادگی نسبی در ساخت
۲- قابلیت اطمینان بالا حتی در سرعت های بالا
۳- مناسب برای کنترل موقعیت
۴- امکان کنترل سرعت بدون سنسور
با توجه به بسیاری از کاربردهای PMSM مانند سنسور کنترل سرعت کم، کنترل موقعیت مناسب، سروو موتور و غیره. مدلسازی ریاضی موتور سنکرون مغناطیسی دائمی با استفاده از متلب انجام و شبیه سازی شده است. مهمترین ویژگی های PMSM راندمان بالا آن است که با نسبت توان ورودی پس از محاسبه تلفات به توان ورودی داده می شود. جریان روتور در PMSM وجود ندارد.
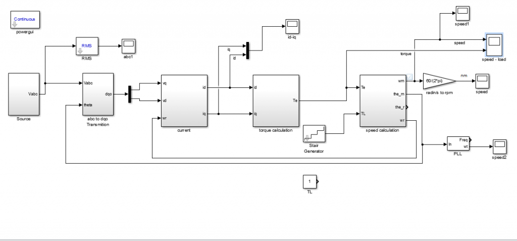
در ادامه شکل شبیه سازی شده در متلب به همراه بخشی از نتایج آن نشان داده شده است.

موتور سنکرون مغناطیس دائم

سیمولینک موتور سنکرون مغناطیس دائم PMSM


دیدگاهها
هیچ دیدگاهی برای این محصول نوشته نشده است.