دانلود شبیه سازی مقاله آنالیز نحوه بهره برداری مستقل از میکروگرید بر پایه اینورتر
| عنوان فارسی |
مدلسازی، آنالیز و تست نحوه بهره برداری مستقل از یک میکروگرید بر پایه اینورتر |
| عنوان انگلیسی |
Modeling, Analysis and Testing of Autonomous Operation of an Inverter-Based Microgrid |
| کلمات کلیدی |
معکوس ساز؛ مدل معکوس ساز؛ ریزشبکه؛ کنترل توان؛ پایداری سیگنال-کوچک |
| درسهای مرتبط |
شبکه هوشمند؛ الکترونیک قدرت |
| تعداد صفحات انگلیسی : 13 | نشریه : IEEE |
| سال انتشار : 2007 | تعداد رفرنس مقاله : 18 |
| فرمت مقاله انگلیسی : PDF | نوع مقاله : ISI |
| آیا این مقاله برای بیس پایان نامه مناسب است؟ : بله | آیا این مقاله برای ارائه کلاسی مناسب است؟ : بله |
| برنامه ای که در آن مقاله شبیه سازی شده است : این مقاله در محیط متلب پیاده سازی شده است | نام مجله مقاله : IEEE Transactions on Power Electronics (مجله الکترونیک قدرت) |
| ترجمه: دارد (ترجمه 26 صفحه ای در قالب ورد و پی دی اف) | گزارشکار : دارد (9 صفحه در قالب ورد (WORD) و PDF) | شبیه سازی : دارد (2 فایل شبیه سازی در سیمولینک متلب با فرمت .slx) |
این مقاله در محیط متلب به صورت کامل شبیه سازی شده و در صورت خرید و دانلود مقاله شما به راحتی قادر خواهید بود از برنامه مربوطه استفاده نمایید. در صورت بروز هر گونه مشکل در نحوه ی اجرای برنامه سایت سیگمالند به مدت 24 ساعت بعد از خرید محصول، پشتیبانی آن را تا اجرای کامل برعهده دارد.
پروژه متلب بهره برداری از ریزشبکه
یک ریزشبکه را می توان یا به صورت حالت متصل به شبکه یا به صورت مستقل، به کار گرفت. در حالت متصل به شبکه، اکثر ویژگی های دینامیک سطح سیستم، توسط شبکه اصلی دیکته می شود که دلیل آن، سایز نسبتا کوچک ریزمنبع می باشد. در حالت مستقل، ویژگی های دینامیک سیستم، توسط ریزمنابع دیکته می شود. کنترل تعدیل توان، تا حدود غیرطبیعی ای توسط خود شبکه دیکته خواهد شد. یکی از نگرانی های عمده در زمینه فعالیت قابل اطمینان ریزشبکه، پایداری سیگنال کوچک است. در سیستم های توان مرسوم، تحلیل پایداری، به خوبی تثبیت شده و برای بازه های فرکانس مختلف (یا افق های زمانی)، مدل هایی وجود دارند که شامل ویژگی های مناسب می شوند. این ویژگی ها، بر پایه دهه ها تجربه به وجود آمده اند بنابراین مدل های استانداردی، برای ماشین های سنکرون، سیستم های برانگیزش و ناظر، از درجه های مختلف که می تواندحالت های مهم را برای طبقه های خاص مسائل، ثبت نمایند، وجود دارد. این پدیده هنوز برای ریزشبکه ها محقق نشده است و به دست آوردن آن به دلیل بازه فناوری قدرت که می توان پیاده سازی کرد، می تواند دشوار باشد. با این وجود می توانیم کار خود را با توسعه مدل های درجه کامل معکوس ساز و معادل های معکوس ساز برانگیزنده ها و ناظرها شروع کنیم. بررسی این مدل ها که بر سیستم های مختلف اعمال شده اند، بدنه تجربه ای را به وجود می آورند که توانایی انتخاب مدل هایی با درجه کمتر، برای برخی از مسائل را خواهند داد.
تحلیل پویای قبلی، از سیستم های مستقل، با فرض یک معکوس ساز ایده آل، انجام شده است. آنچه گفتیم یعنی این که کنترلرهای داخلی حلقه بسته ای که مراجع جریان و ولتاژ را ردیابی می کنند، فرض شده که ردیابی خود را به صورت دقیق و بی نقض و سریع انجام بدهند. بنابراین هیچ گونه تاثیری بر پایداری سیگنال-کوچک ندارند. این فرض، بر پایه این است که پهنای باند حلقه بسته معکوس ساز، بسیار بالاتر از پهنای باند به اشتراک گذاری توان است که مراجع جریان و ولتاژ را تعیین می کند. این فرض، نسبتا فرض ایمنی، برای معکوس سازهای توان پایین، با فرکانس سوئیچینگ بالا است اما باعث می شود که ویژگی های دینامیک مهمی، برای معکوس سازهای بزرگ، که در آن ها فرکانس سوئیچینگ پایین، پهنای باند کنترل درونی ترین حلقه کنترل را محدود می کند، حذف شود. رویکرد مدلسازی ارائه شده، بر مسائل پایداری، برای معکوس سازهایی که به یک گذرگاه AC سفت وصل شده اند، متمرکز است. این پدیده در نشان دادن ویژگی های معکوس ساز، مفید بوده اما برای پوشش دادن تعاملات معکوس سازها، با یکدیگر و با ویژگی های پویای شبکه، قبل از نشان دادن ماهیت مسائل پایداری، در ریزشبکه ها باید توسعه داده شوند.
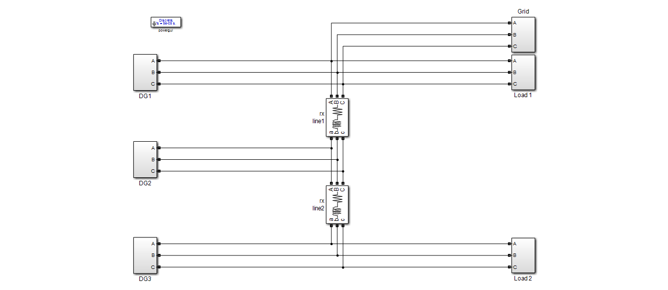
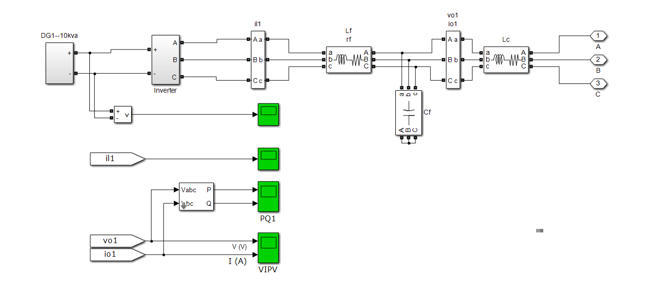
این شبیه سازی در محیط نرم افزار متلب (MATLAB 2015a) انجام شده است و در ادامه نیز تصاویری از محیط شبیه سازی قرار داده شده است:


یک خصوصیت طبیعی ریزشبکه، این است که می توان آن را یا در حالت متصل به شبکه یا به صورت جزیره ای (مستقل) به کار گرفت. به صورت نرمال هنگامی که یک ریزشبکه در حالت متصل به شبکه به کار گرفته شود، ریز-منابع به عنوان منابع توان ثابت لحاظ می شوند که یعنی به منظور تزریق توان تقاضا شده، در شبکه کنترل می شوند. در مد مستقل، ریز-منابع، به گونه ای کنترل می شوند که تمامی توان مورد نیاز، توسط بارهای محلی را تامین کنند در حالی که ولتاژ و فرکانس را در محدوده های مجاز حفظ نمایند. فعالیت مستقل ریزشبکه را می توان به دو دلیل زیر آغاز کرد: در ابتدا به دلیل جزیره سازی از پیش برنامه ریزی شده (عمدی)، و دلایل اقتصادی یا نگهداری و تعمیر، وابسته بر موقعیت بازار، مالک یک ریزشبکه می تواند میان حالت های متصل به شبکه و مستقل، یک گزینه را انتخاب کند. دوم، به دلیل جزیره سازی بدون برنامه ریزی (غیرعمدی) به دلیل خرابی شبکه اصلی که توسط مشکل در شبکه ایجاد می شود.



دیدگاهها
هیچ دیدگاهی برای این محصول نوشته نشده است.