| عنوان فارسی |
طراحی سیستم کنترل شبیه سازی شده برای یک STATCOM چند سطحی جهت جبرانسازی توان راکتیو |
| عنوان انگلیسی |
Simulated control system design of a multilevel STATCOM for reactive power compensation |
| کلمات کلیدی |
کیفیت توان؛ جبرانسازی توان راکتیو؛ مبدل منبع ولتاژ (VSC)؛ STATCOM؛ GTO؛ SHEM؛ حلقه فاز قفل شده (PLL)؛ اینورتر چند سطحی؛ THD |
| درسهای مرتبط |
کنترل توان راکتیو |
| تعداد صفحات انگلیسی : 7 | نشریه : IEEE |
| سال انتشار : 2012 | تعداد رفرنس مقاله : 12 |
| فرمت مقاله انگلیسی : PDF | نوع مقاله : ISI |
| آیا این مقاله برای بیس پایان نامه مناسب است؟ : بله | آیا این مقاله برای ارائه کلاسی مناسب است؟ : بله |
| برنامه ای که در آن مقاله شبیه سازی شده است : این مقاله در محیط متلب پیاده سازی شده است | نام مجله مقاله : International Conference on Advances in Engineering, Science and Management (ICAESM) (کنفرانس بین المللی پیشرفت ها در مهندسی، علوم و مدیریت) |
| ترجمه: دارد (ترجمه 15 صفحه ای در قالب WORD و PDF) | گزارشکار : دارد (24 صفحه به صورت WORD و PDF) | شبیه سازی : دارد (1 فایل شبیه سازی در سیمولینک متلب با فرمت .mdl و یک فایل فازی با فرمت .fis) |
این مقاله در محیط متلب به صورت کامل شبیه سازی شده و در صورت خرید و دانلود مقاله شما به راحتی قادر خواهید بود از برنامه مربوطه استفاده نمایید. در صورت بروز هر گونه مشکل در نحوه ی اجرای برنامه سایت سیگمالند به مدت 24 ساعت بعد از خرید محصول، پشتیبانی آن را تا اجرای کامل برعهده دارد.
اکثر قریب به اتفاق همه سیستم های تامین برق سراسر جهان، به نحو گسترده ای به همدیگر متصل شده اند که این شامل اتصال شرکت های برق درون یک کشور می باشد که این امر به اتصالات داخلی بین شرکت های برق تعمیم می یابد و سپس به اتصالات بین منطقه ای و بین المللی، گسترش می یابد. این کار به دلایل اقتصادی انجام می شود تا هزینه برق کاهش یابد و قابلیت اطمینان تامین برق بهبود یابد. با این حال، مدت زمان کلیدزنی طولانی و عملکرد گسسته دستگاه ها در شبکه قدرت امروزی، باعث بوجود آمدن مشکلاتی در مدیریت آرام بارهای غالباً در حال تغییر و میرا کردن سریع نوسانات گذرا می شوند. خاموشی های سراسری شدید اخیراً رخ داده در شبکه های قدرت سراسر جهان آشکار کرده اند که سیستم های انتقال قدرت متداول قادر به مدیریت الزامات کنترلی در اتصالات به هم پیوسته پیچیده و پخش توان متغیر نیستند. بنابراین، بهبود امنیت و پایداری شبکه قدرت و همچنین طرح های کنترل سیستم انتقال، لازم است. رویکردهای مختلفی مانند جبرانسازی توان راکتیو و جابجایی فاز برای برآورده کردن این الزامات پیاده سازی شده اند. تقاضای کاهش تلفات توان، پاسخ سریعتر به تغییر پارامتر سیستم و پایدار بهتر سیستم، منجر به توسعه FACTS (سیستم های انتقال AC انعطاف پذیر) شده است. براساس موفقیت پژوهش ها در زمینه ادوات کلیدزنی الکترونیک قدرت و فنآوری کنترل پیشرفته، FACTS به فنآوری برتر در زمینه کنترل ولتاژ، کنترل پخش توان راکتیو/اکتیو، تثبیت سازی گذرا و حالت پایدار تبدیل شده است که بهره برداری و کارایی سیستم انتقال و توزیع قدرت فعلی را بهبود داده است. موفقیت این مطالعات، بازده واحدهای مولد موجود، کاهش تولید و مصرف کلی سوخت و کمینه سازی هزینه بهره برداری را پررنگ کرده اند. در این پروژه، جبرانسازی توان راکتیو، به عنوان روشی موثر برای بهبود عملکرد سیستم ac، انتخاب شده است. بنابراین، یک STATCOM چندسطحی و یک سیستم کنترل باید به این منظور طراحی شود.
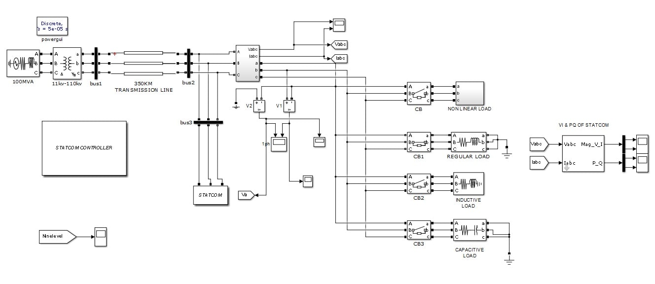
این شبیه سازی در محیط نرم افزار متلب (MATLAB) انجام شده و در ادامه نیز تعدادی از تصاویر مربوط به محیط شبیه سازی و خروجی های آن، قرار داده شده است:


این پروژه، یک مدل STATCOM همراه با اجزاء و کنترلرهای لازم جهت نشان دادن اثربخشی آن، ساده و سریع نگه داشتن تنظیم ولتاژ در هر نقطه ای از خط انتقال، ارائه می شود. از سوی دیگر، هارمونیک های تولید شده توسط STATCOM با پیاده سازی SHEM، در حداقل میزان خود نگه داشته می شوند. اثربخشی استراتژی کنترل پیشنهادی با کمک محاسبات THD نشان داده شده است و مشاهده می شود که در مقایسه با طراحی های مختلف دیگر، کمترین میزان THD را دارد. بنابراین، STATCOM پیشنهادی همراه با کنترلر استفاده کننده از استراتژی کنترل مستقیم قادر به حفظ توازن ولتاژ تحت شرایط بار مختلف می باشد.
دیدگاهها
هیچ دیدگاهی برای این محصول نوشته نشده است.