دانلود شبیه سازی مقاله عملکرد محدود کننده جریان خطای ابررسانای مقاومتی 3.3 کیلوولتی

عنوان فارسی

عملکرد یک محدود کننده جریان خطای ابررسانا از نوع مقاومتی 3.3 کیلوولتی

عنوان انگلیسی

Performance of a 3.3kV Resistive type Superconducting Fault Current Limiter

کلمات کلیدی

محدود کننده جریان خطای ابررسانا (SFCL)؛ SFCL از نوع مقاومتی؛ سیمولینک متلب

درسهای مرتبط

حفاظت سیستم قدرت

تعداد صفحات انگلیسی : 5 نشریه : IJESRT
سال انتشار : 2014 تعداد رفرنس مقاله : 6
فرمت مقاله انگلیسی : PDF نوع مقاله : ISI
IJESRT
قیمت دانلود مقاله
63,000تومان
دانلود رایگان مقاله انگلیسی
آیا این مقاله برای بیس پایان نامه مناسب است؟ : بله آیا این مقاله برای ارائه کلاسی مناسب است؟ : بله (این محصول دارای پاورپوینت 14 اسلایدی برای ارائه کلاسی هست)
برنامه ای که در آن مقاله شبیه سازی شده است : این مقاله در محیط متلب پیاده سازی شده است نام مجله مقاله : International Journal of Engineering Sciences & Research Technology (مجله بین المللی تکنولوژی تحقیق و علوم مهندسی)
ترجمه: دارد (ترجمه 12 صفحه ای در قالب ورد و پی دی اف) گزارشکار : دارد (25 صفحه) شبیه سازی : دارد (2 فایل سیمولینک متلب با فرمت .slx)

این مقاله در محیط متلب به صورت کامل شبیه سازی شده و در صورت خرید و دانلود مقاله شما به راحتی قادر خواهید بود از برنامه مربوطه استفاده نمایید. در صورت بروز هر گونه مشکل در نحوه ی اجرای برنامه سایت سیگمالند به مدت 24 ساعت بعد از خرید محصول، پشتیبانی آن را تا اجرای کامل برعهده دارد.

توضیحات و مشاهده مقاله انگلیسی

محدود کننده جریان خطای ابررسانای مقاومتی

افزایش سریع تولید توان منجر به افزایش سطوح خطا می شود. این مقادیر از ظرفیت اسمی مدارشکن های موجود عبور می کنند. تعویض سوئیچ گیرهای موجود بدلیل این افزایش سطوح خطا، هزینه هایی را به شرکت های برق رسان و مشتریان تحمیل می کند. از این منظر، مطلوب است که با معرفی ابزارهای قابل اطمینان جریان های خطا را محدود بکنیم. بدین ترتیب مدارشکن ها در جریان های خطای کمتر، بدون هرگونه آسیب کار می کنند. یک محدودکننده جریان خطای ابرهادی، واکنش خیلی سریعی دارد و پس از خطا خودش را ریست می کند. اثر آن بر عملکرد سیستم در حالت کار عادی محدود است. محدودکننده های جریان خطای ابرهادی (SFCL) ظاهراً جذاب ترین گزینه برای محدودسازی جریان خطا هستند. SFCL های قبلی با ابرهادی های دمای پایین (LTS) ساخته شده بودند و از این منظر نسبتاً گران بودند و برای خطاهای بالاتر قابل اطمینان نبودند. سیستم های HTS در دماهای سرد کار می کنند و معمولاً با نیتروژن مایع خنک می شوند. به سیستم های انجماد قابل اطمینان، با بازدهی بالا و مقرون به صرفه نیاز است. در سال های اخیر، شاهد پیشرفت چشمگیر در توسعه منجمدکننده های توانمند به عنوان واکنش دهنده ها نسبت به HTSFCL با حفظ کننده دماهای اندک هستیم. در حال حاضر تحقیقات و توسعه جهانی در دست اجرا هستند تا HTSFCL بر اساس نسل دو هادی هایی با پوشش YBCO تولید می شوند. اصول کاری S-FCL ساده است. یک المان ابرهادی به صورت سری به خط اضافه می شود. در حالت کار عادی، سیستم بدون هرگونه محدودیت کار می کند زیرا مقاومت مولفه ابرهادی عملاً صفر است. و می توان امپدانس القایی را حداقل کرد. البته در حین خطا و هنگامی که جریان خطا به چندین برابر جریان نامی می رسد، مولفه نیمه هادی سریعاً به حالت عادی برمی گردد (مقاومتش با نرخ ثابتی افزایش می یابد). افزایش امپدانس/ مقاومت، محدودیت جریان خطا تا سطح مطلوب را در پی دارد. پس از رفع خطا، هسته ابرهادی جریان عادی سیستم را به مقاومت صفر می رساند. در حین خطا هنگامی که ابرهادی در حالت عادی است، تا دمای از قبل تعیین شده گرم می شود. در حالت ایده ال، S-FCL باید جریان خطا را به سطح مطلوب در طول خطا محدود بکند، و پس از رفع خطا سریعاً به حالت طبیعی برگردد.

در این پروژه، محدود کننده جریان خطا با ابرهادی با دمای بالا (HTSFCL) در دو حالت (با این قطعه و بدون قطعه)، به ازای خطای تولید شده در 0.6 ثانیه در نرم افزار متلب – سیمولینک مورد شبیه سازی قرار گرفته است.نتایج خروجی شبیه سازی تحلیل شده اند و نتایج نشان داده که با HTS FCL در حین بهینه سازی جریان خطا، قدرت اعتماد پذیری به آن در حد مدارشکن است و مدارشکن ها قادر به تحمل خطا تا سطوح ولتاژ خاصی هستند. SFCL ها برای سطوح ولتاژ بالاتر قابل استفاده هستند.

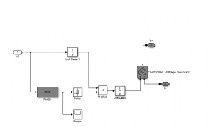
این شبیه سازی در محیط نرم افزار متلب (MATLAB) انجام شده و در ادامه نیز تعدادی از تصاویر مربوط به خروجی ها و نیز محیط شبیه سازی قرار داده شده است:

قیمت : 63,000تومان

دیدگاهها

  1. آریاناز

    سلام وقت بخیر
    مقاله و توضیحات و تفسیر شبیه سازی ترجمه شده یا به زبان انگلیسی است؟

    • mirbagher_fara

      با سلام
      همانطور که در توضیحات هم ذکر شده، این شبیه سازی از روی یک مقاله انگلیسی انجام شده و توضیحات و نتایج خروجی شبیه سازی ها نیز در قالب یک گزارشکار فارسی در قالب فایل ورد و همچنین قالب فایل پاورپوینت برای ارائه، آماده شده است.
      همچنین، ترجمه فارسی مقاله انگلیسی نیز انجام شده است
      با تشکر از حُسن انتخاب شما

دیدگاه خود را بنویسید

نشانی ایمیل شما منتشر نخواهد شد. بخش‌های موردنیاز علامت‌گذاری شده‌اند *

20 − پانزده =

آموزش برنامه نویسی

پشتیبانی

ارتباط با ما

  • شماره تماس : 09360147484
  • ایمیل : info@sigmaland.ir

نماد اعتماد الکترونیکی

لوگو طلایی

logo-samandehi
تمامی حقوق مادی و معنوی برای سایت سیگمالند محفوظ است.