دانلود شبیه سازی مقاله مدلسازی حالات بهره برداری از ژنراتور سنکرون در نیروگاه دیزلی
| عنوان فارسی |
مدلسازی ریاضی به عنوان روشی آموزشی در حالات بهره برداری از ژنراتور سنکرون در یک نیروگاه توان دیزلی |
| عنوان انگلیسی |
Mathematical Modeling as an Educational Method of Synchronous Generator Operating Modes in a Diesel Power Plant |
| کلمات کلیدی |
محتوای حرفه ای؛ شبیه سازی ریاضی در الکترومکانیک؛ مبدل های الکترومکانیکی؛ مدل ریاضیاتی؛ ژنراتور سنکرون؛ نرم افزار متلب (MatLab)؛ دقت مدل؛ مشخصه های بهره برداری؛ مشخصه خارجی تعمیم یافته |
| درسهای مرتبط |
بهره برداری از سیستم های قدرت |
| تعداد صفحات انگلیسی : 6 | نشریه : ELSEVIER |
| سال انتشار : 2015 | تعداد رفرنس مقاله : 7 |
| فرمت مقاله انگلیسی : PDF | نوع مقاله : ISI |
| آیا این مقاله برای بیس پایان نامه مناسب است؟ : بله | آیا این مقاله برای ارائه کلاسی مناسب است؟ : بله |
| برنامه ای که در آن مقاله شبیه سازی شده است : این مقاله در محیط متلب پیاده سازی شده است | نام مجله مقاله : Procedia - Social and Behavioral Sciences (پروسدیا - علوم اجتماعی و رفتاری) |
| ترجمه: دارد (ترجمه 10 صفحه ای در قالب ورد و پی دی اف) | گزارشکار : فایل راهنمای 16 صفحه ای دارد | شبیه سازی : دارد (فایل های شبیه سازی در سیمولینک متلب با فرمت .slx) |
این مقاله در محیط متلب به صورت کامل شبیه سازی شده و در صورت خرید و دانلود مقاله شما به راحتی قادر خواهید بود از برنامه مربوطه استفاده نمایید. در صورت بروز هر گونه مشکل در نحوه ی اجرای برنامه سایت سیگمالند به مدت 24 ساعت بعد از خرید محصول، پشتیبانی آن را تا اجرای کامل برعهده دارد.
مدلسازی ژنراتور سنکرون در نیروگاه دیزلی
توسعه و طراحی مبدل های الکترومکانیکی مدرن، براساس مدل های ریاضیاتی کامپیوتری می باشند. با استفاده از این مدل ها، می توان رفتار مبدل های الکترومکانیکی با پارامترهای معین در مدل های مختلف را پیش بینی نمود و همچنین پارامترها جهت دستیابی به بهترین عملکرد را بهینه سازی کرد. متخصصان مهندسی برق باید در روش های شبیه سازی ریاضیاتی ماهر و مسلط باشند تا بتوانند با موفقیت کار کنند. هدف درس و دوره آموزشی «شبیه سازی ریاضیاتی در الکترومکانیک»، مطالعه روش های مدل سازی ریاضیاتی به روز برای حل مسائل الکترومکانیک می باشد. امروزه، سیستم برنامه نویسی Matlab عمدتاً همراه با ابزارهای سنتی در شبیه سازی استفاده می شود. این امر، گسترش امکانات برای مدل سازی را ممکن می سازد و آنرا متحرک تر و انعطاف پذیرتر می کند. اما، صرفنظر از شکل های شبیه سازی، مهمترین چیز، محتوای عملی شبیه سازی است. استفاده از مثال های شفاف و واضح در تدریس، لازم است. بنابراین، در تدریس دانشجویان، توجه زیادی به مدل سازی ترکیبی با وظایف مهندسان یا پژوهش های علمی، داده می شود. این پروژه، شبیه سازی نرم افزاری یک سیستم واقعی ترکیب شده با تجربیات عملی و رویکرد سنتی (استفاده از مشخصه های) مطالعه مبدل الکترومکانیک را نشان می دهد. همچنین مثالی از مدل سازی مولد سنکرون یک دیزل ژنراتور، مورد ملاحظه قرار می گیرد.
ساختار دیزل ژنراتور
در مدل سازی، اول از همه لازم است که هدف شبیه سازی مورد پژوهش قرار گیرد، ساختار و عملکرد آن مورد مطالعه قرار گیرد، و وظایف شبیه سازی، شفاف سازی شود. امروزه دیزل ژنراتورها یا «نیروگاه های دیزلی» (DPP)، یکی از منابع اصلی برق سیار در نظر گرفته می شوند. این مولدها، برای کاهش مصرف سوخت و افزایش بازده برای تغییر سرعت موتور دیزل هنگام تغییر بار و تثبیت پارامترهای خروجی (ولتاژ و سرعت) با مبدل های نیمه رسانا، لازم است. ساختار DPP، شامل یک موتور دیزل (DE)، یک مولد سنکرون (SG) با تحریک الکترومغناطیسی، یک مولد پمپ سوخت (FPR) که کنترل خودکار مدهای عملکردی موتور طبق قانون از پیش تعیین شده و یک رگولاتور ولتاژ (VR) مولد است که جریان سیم پیچ میدان را کنترل می کند. تثبیت ولتاژ و فرکانس خروجی، بوسیله اتصال آبشاری نیمه رساناها که شامل یک «مبدل-یکسوساز» (RC) کنترل شده، یک فیلتر (F) و یک اینورتر ولتاژ (AVI) مستقل است، حاصل می گردد. همراه با تبدیل ولتاژ متناوب سه فاز به یک ولتاژ ثابت، مبدل-یکسوساز، تثبیت ولتاژ خروجی تحت همه مدهای عملکردی یک مولد و یک ضریب توان برابر با 1 را فراهم می کند. کنترل مدهای عملکردی DPP نیاز به بررسی مشخصات عملکردی مولد برای دامنه فرکانسی 30 تا 50 هرتز دارد. این مدل ریاضیاتی برای حل این مسئله استفاده می شود.
هدف این پروژه، مدل سازی ریاضیاتی مدهای عملکردی مولد سنکرون (SG) است که به عنوان قسمتی از نیروگاه دیزلی اینورتری عمل می کند.
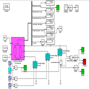
این شبیه سازی با استفاده از نرم افزار متلب (MATLAB) انجام شده و در ادامه نیز تصویری از محیط شبیه سازی و نیز نتایج خروجی آن قرار داده شده است:




دیدگاهها
هیچ دیدگاهی برای این محصول نوشته نشده است.