دانلود شبیه سازی مقاله توپولوژی DSTATCOM مبتنی بر اینورتر NPC برای جبرانسازی بار
| عنوان فارسی |
توپولوژی های جدید DSTATCOM مبتنی بر اینورتر NPC سه سطحی و ارزیابی عملکرد آنها برای جبرانسازی بار |
| عنوان انگلیسی |
Three-level NPC inverter based new DSTATCOM topologies and their performance evaluation for load compensation |
| کلمات کلیدی |
DSTATCOM؛ اینورتر منبع ولتاژ؛ NPC؛ کنترل جریان هیسترزیس؛ اعوجاج بار؛ جبرانسازی بار |
| درسهای مرتبط |
کنترل توان راکتیو |
| تعداد صفحات انگلیسی : 9 | نشریه : ELSEVIER |
| سال انتشار : 2014 | تعداد رفرنس مقاله : 25 |
| فرمت مقاله انگلیسی : PDF | نوع مقاله : ISI |
| آیا این مقاله برای بیس پایان نامه مناسب است؟ : بله | آیا این مقاله برای ارائه کلاسی مناسب است؟ : بله |
| برنامه ای که در آن مقاله شبیه سازی شده است : این مقاله در محیط متلب پیاده سازی شده است | نام مجله مقاله : International Journal of Electrical Power & Energy Systems (مجله بین المللی سیستم های انرژی و توان) |
| ترجمه: ندارد | گزارشکار : دارد | شبیه سازی : دارد (متلب) |
این مقاله در محیط متلب به صورت کامل شبیه سازی شده و در صورت خرید و دانلود مقاله شما به راحتی قادر خواهید بود از برنامه مربوطه استفاده نمایید. در صورت بروز هر گونه مشکل در نحوه ی اجرای برنامه سایت سیگمالند به مدت 24 ساعت بعد از خرید محصول، پشتیبانی آن را تا اجرای کامل برعهده دارد.
DSTATCOM مبتنی بر اینورتر NPC
DSTATCOM یکی از ادوات قدرت مرسوم مشهور متصل شده به صورت شنت یا موازی برپایه VSI می باشد که برای دستیابی به جبرانسازی بار استفاده می شود. پیکربندی های DSTATCOM متعددی از اینورترهای متداول و چند سطحی استفاده می کنند که روش های کنترل، عملکرد و تحلیل تفصیلی آنها در مقالات مختلف بررسی شده است. در کاربردهای VSI، پیکربندی خازن تفکیک شده دو سطحی می تواند بارهای نامتوازن حاوی مولفه های توالی صفر را جبرانسازی کند؛ اما ولتاژهای خازن را نامتعادل می کند. علاوه بر آن، این عدم توازن سریعتر می شود اگر جریان بار حاوی مولفه dc باشد. بنابراین، مدار چاپر (chopper) باید برای متوازن سازی ولتاژ خازن استفاده شود. اما، در VSI دو سطحی، تعیین مقادیر اسمی سلف چاپر پیچیده تر می شود. برای رفع چنین مسئله ای در کاربردهای شنت، استفاده از یک اینورتر NPC متداول سه سطحی توصیه می شود. در این اینورتر، دریفت ولتاژ در طی حالت ولتاژ صفر وجود ندارد؛ بنابراین، خازن ها را دور می زند. بررسی ها نشان داد که اینورتر NPC یک جایگزین امیدوار کننده برای کاربردهای ولتاژ زیاد، متوسط و کم با کیفیت توان خروجی عالی می باشد. اگرچه این توپولوژی پرطرفدار و بسیار مفید است، اما اینورتر NPC متداول نیز معایب معینی دارد، مانند: واگرایی پتانسیل نقطه خنثی، توزیع نابرابر تلفات نیمه رسانا در ادوات، گیره شدن غیرمستقیم ادوات داخلی، ولتاژهای انسدادی دیودهای گیره ای (کلمپینگ) و استفاده غیرعملی از دیودهای گیره ای بزرگ بخاطر بازیابی معکوس دیود. تاحدودی برای رفع محدودیت های بالا، توپولوژی های NPC جایگزین نیز توصیه شده اند؛ که اینها می توانند جایگزین پیکربندی NPC سه سطحی متداول برای جبرانسازی شنت باشند.
در این پروژه، اینورتر NPC Conergy (که یک توپولوژی VSI بدون ترانسفورماتور برپایه PV متصل به شبکه متداول می باشد)، براساس توپولوژی جدید DSTATCOM، به صورت انحصاری برای جبرانسازی بار پیشنهاد می شود. این سیستم نوعی خاص از CNPC می باشد که از نظر انرژی در سال 2007 حق امتیاز اختراع گرفت، اما به عنوان یک توپولوژی VSI متفاوت پدیدار شد. این توپولوژی بر محدودیت های دیود گیره ای لازم در CNPC غلبه می کند. همچنین، عیب اصلی CNPC، توزیع بار نابرابر میان نیمه رساناها می باشد. بخاطر آن، تلفات در اکثر ادوات تحت تنش، فرکانس کلیدزنی و توان خروجی مبدل را محدود می کند. بنابراین، برای دستیابی به توزیع تلفات مناسب و بهره برداری بهتر از نیمه رسانا، توپولوژی DSTATCOM جدید مبتنی بر ایورتر NPC اکتیو (ANPC) (که به عنوان یک توپولوژی جدید ادعا شده است ) و انعطاف پذیری FC را با مقاوم بودن NPC متداول سه سطحی ترکیب می کند نیز پیشنهاد می شود. این توپولوژی، حالت های کلیدزنی جدید بدون دیود گیره ای را امکان پذیر ساخته و در نتیجه متوازن سازی تلفات نیمه رسانای صحیح را ممکن می سازد.
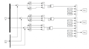
این شبیه سازی با استفاده از نرم افزار متلب (MATLAB) انجام شده و در ادامه نیز تعدادی از تصاویر مربوط به محیط شبیه سازی و نتایج خروجی آن قرار داده شده است:
جریان بار:
ولتاژ لینک dc خازن ها:







دیدگاهها
هیچ دیدگاهی برای این محصول نوشته نشده است.