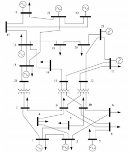
اطلاعات شبکه ۲۴ باسه IEEE
شبکه های استاندارد IEEE در مقالات علمی بسیار مرسوم هستند در این قسمت شما به اطلاعات شبکه IEEE 24 شینه می توانید به صورت رایگان دسترسی داشته باشید. تمامی اطلاعات مصرف ساعتی بارها و اندوکتانس و راکتانس خطوط این شبکه ، در اختیار شما قرار گرفته و به راحتی می توانید در مقالات علمی خود از آن ها استفاده و کار علمی خود را با مقاله مرجع مقایسه کنید. این موضوع می تواند به فهم داورها در داوری مقاله شما کمک شایانی کرده و در پذیرش مقاله تان کمک کند.
| گزارشکار: ندارد | شبیه سازی : ندارد |
IEEE 24 Bus system data
دانلود رایگان اطلاعات شبکه ۲۴ باسه IEEE
این شبکه یک شبکه توزیع ۲۴ باسه مطابق با استاندارد IEEE می باشد. در اکثر مقالات جهت شبیه سازی و بررسی نتایج مطالعات از اطلاعات شبکه ۲۴ باسه IEEE استفاذه میشود. اطلاعات مربوط به این شبکه ها شامل راکتانس شاخه ها و بار متصل به باس ها ( توان اکتیو و راکتیو ) و توان تولید هر باس، ظرفیت خطوط انتقال، اطلاعات مربوط به ژنراتور ها وهزینه هر کدام از آنها و …. میباشد که به صورت رایگان در یک فابل PDF در اختیار شما قرار گرفته است. اطلاعات مربوط به سایر شبکه های استاندارد دیگر نیز در لینکی که در زیر گذاشته ایم وجود دارد که می توانید از ان نیز استفاده کنید.
شما برای هر نوع مطالعه بر روی شبکه 24 باسه IEEE نیاز دارید تا اطلاعات این شبکه اعم از میزان مصرف بارها در هر شین و اندوکتانس و راکتانس خطوط را دانسته و از پخش بارهایی نظیر نیوتن رافسون میزان ولتاژ و زاویه و جریان هر خط را به دست آورید.


دیدگاهها
هیچ دیدگاهی برای این محصول نوشته نشده است.