دانلود شبیه سازی مقاله تبدیل توان بادی مبتنی بر DFIG برای کاهش اثر تندبادها
| عنوان فارسی |
تبدیل توان بادی مبتنی بر DFIG با سطح بندی (لولینگ) شبکه قدرت برای کاهش اثر تندبادها |
| عنوان انگلیسی |
DFIG-Based Wind Power Conversion With Grid Power Leveling for Reduced Gusts |
| کلمات کلیدی |
سیستم ذخیره سازی انرژی باتری (BESS)؛ ژنراتور القایی دوسو تغذیه (DFIG)؛ لولینگ شبکه قدرت؛ کنترل بردار؛ سیستم تبدیل انرژی بادی (WECS) |
| درسهای مرتبط |
انرژی های نو |
| تعداد صفحات انگلیسی : 9 | نشریه : IEEE |
| سال انتشار : 2012 | تعداد رفرنس مقاله : 21 |
| فرمت مقاله انگلیسی : PDF | نوع مقاله : ISI |
| آیا این مقاله برای بیس پایان نامه مناسب است؟ : بله | آیا این مقاله برای ارائه کلاسی مناسب است؟ : بله |
| برنامه ای که در آن مقاله شبیه سازی شده است : این مقاله در محیط متلب پیاده سازی شده است | نام مجله مقاله : IEEE Transactions on Sustainable Energy (مجله انرژی پایدار) |
| ترجمه: ندارد | گزارشکار : دارد (توضیحات مختصر در 4 صفحه) | شبیه سازی : دارد (یک فایل شبیه سازی در سیمولینک متلب با فرمت .slx) |
این مقاله در محیط متلب به صورت کامل شبیه سازی شده و در صورت خرید و دانلود مقاله شما به راحتی قادر خواهید بود از برنامه مربوطه استفاده نمایید. در صورت بروز هر گونه مشکل در نحوه ی اجرای برنامه سایت سیگمالند به مدت 24 ساعت بعد از خرید محصول، پشتیبانی آن را تا اجرای کامل برعهده دارد.
تبدیل توان بادی مبتنی بر DFIG
استفاده از منابع انرژی تجدید پذیر برای تولید برق از دهه گذشته، تغییر ظاهر بسیار زیادی را تجربه کرده است. افزایش نگرانی های اقتصادی و اکولوژیکی، محققان را بر آن داشته است تا ابزارهای جدیدتر و بهتر تولید انرژی برق را کشف کنند. در این زمینه، سیستم های تبدیل انرژی باد (WECS) بالاتر از منابع انرژی تجدیدپذیر دیگر مانند انرژی خورشیدی، قرار گرفته اند اما هنوز بخاطر هزینه بالای هر کیلووات ساعت (kWh) توان الکتریکی تولید شده، از دیگران عقب تر هستند. بطور کلی، سهم این سیستم های انرژی تجدید پذیر به سیستم قدرت سریعاً از دو دهه گذشته، افزایش یافته است. از جمله همه فنآوری های موجود برای WEC، مولد القایی دو سو تغذیه (DFIG) مقبول ترین فنآوری می باشد، زیرا مزیت های کاهش مقادیر اسمی مولد برای تبدیل توان و استخراج کارآمد توان بخاطر عملکرد سرعت متغیر را با هم ترکیب کرده است.
پیکربندی یک WECS مبتنی بر DFIG با یک BESS در لینک dc ، با یک استراتژی کنترل برای ثابت نگه داشتن توان شبکه، پیشنهاد شده است. یکی از روش های طراحی BESS با ملاحظه داده های عملی در نقطه نصب، در اینجا پیشنهاد می شود. عملکرد استراتژی کنترل پیشنهادی بر WECS مبتنی بر DFIG با BESS تحت سرعت های باد مختلف، نشان داده شده است. مشاهده شده که WECS مبتنی بر DFIG همراه با BESS، عملکرد رضایت بخشی تحت شرایط سرعت باد مختلف نشان می دهد. همچنین این پروژه اکثر معایب اتصال یک DFIG به شبکه، «نوسانات توان شبکه» بخاطر تغییرات سرعت باد را رفع کرده است. اگر شبکه سراسری نتواند توان شبکه را ثابت نگه دارد، آنگاه در زمان «اضافه تولید»، به ازای پیاده سازی «هموار سازی بار»، و جذب توان مازاد، پول به مصرف کنندگان پرداخت می شود. این یک شیوه غیرمفید است زیرا تامین کننده هم انرژی و هم پول را از دست می دهد. اما، پیکربندی و استراتژی کنترل پیشنهادی نیاز به این کار را با تامین توان ثابت به کل شبکه و بنابراین حفظ پخش انرژی ثابت به شبکه صرفنظر از تغییرات سرعت باد، رفع می کند. علاوه بر آن، استراتژی های کنترل مهم دیگر مانند «ردیابی نقطه توان بیشینه» (MPPT) و بهره برداری ضریب توان واحد در ترمینال استاتور نیز به نحوه رضایت بخشی، استفاده می شوند. قرار دادن یک BESS در لینک dc یک WECS مبتنی بر DFIG، ثابت کرده است که یک پیاده سازی رضایت بخش از نظر حفظ توان ثابت در شبکه می باشد اگر معایب استفاده از مقادیر اسمی زیاد BESS را در نظر نگیریم.
شبیه سازی این مقاله در محیط نرم افزار سیمولینک متلب (MATLAB) انجام شده است. برای ران کردن شبیه سازی ها بهتر است از نسخه 2012 به بالاتر نرم افزار استفاده گردد.
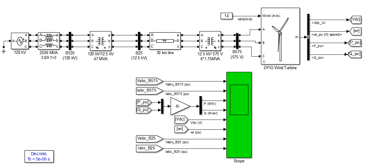
در ادامه، تصاویر مربوط به محیط شبیه سازی، قرار داده شده است:





دیدگاهها
هیچ دیدگاهی برای این محصول نوشته نشده است.